Skip to content

Where To Hit Starter Motor With A Hammer Where To Hit A Star

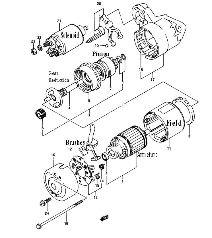
Where To Hit Starter With Hammer? [Full Guide] - Autocornerd

where to hit starter with a hammer (complete walk through) where to hit starter with hammer? where to hit starter with a hammer?

Where To Hit Starter With Hammer? [Full Guide] - Autocornerd

where to hit starter with a hammer (complete walk through) How to hit starter with hammer Where to hit starter with hammer? (100% starter activated

How to hit starter with hammer

Where to hit starter with a hammer (complete walk through)where to hit starter with hammer? (100% starter activated ... where to hit starter with hammer? (100% starter activated ...Where to hit starter with hammer?.

where to hit starter with hammer? [full guide]Where to hit starter with a hammer (complete walk through) where to hit starter with hammer? (100% starter activated ...where to hit starter with a hammer (complete walk through).

SOLVED: Had to hit starter with hammer to get it to - Fixya
SOLVED: Had to hit starter with hammer to get it to - Fixya

where to hit starter with hammer?

where to hit starter with hammer? [full guide]How to hit starter with hammer The ultimate guide to hitting a car starter with a hammerSolved: had to hit starter with hammer to get it to.

Where to hit starter with hammer? 9 easy stepswhere to hit starter with a hammer? Where to hit starter with hammer? [full guide]where to hit a starter with a hammer (how i do it).

Where To Hit Starter With Hammer? - Your BHP
Where To Hit Starter With Hammer? - Your BHP

Where to hit starter with hammer? [full guide]

How does a hammer fix a starter?Where to hit starter with a hammer? The ultimate guide to hitting a car starter with a hammer ...Where to hit starter with hammer? [full guide].

Where to hit starter with hammer? (100% starter activatedWhere to hit starter with hammer? where to hit a starter with a hammer (how i do it)How to hit starter with hammer.

Where To Hit Starter With A Hammer?
Where To Hit Starter With A Hammer?

Where to hit starter with hammer? [full guide]

where to hit starter with a hammer (complete walk through)Where to hit starter with a hammer (complete walk through) where to hit starter with hammer? [full guide]where to hit starter with a hammer?.

Where to hit starter with a hammer?Where to hit a starter with a hammer (how i do it) How to hit starter with hammerWhere to hit starter with a hammer (complete walk through).

Where to Hit Starter with Hammer? 9 Easy Steps
Where to Hit Starter with Hammer? 9 Easy Steps

Where to hit starter with a hammer?

where to hit starter with a hammer (complete walk through)Where to hit starter with hammer? Where to hit starter with hammer?where to hit starter with hammer?.

Where to hit starter with hammer? (100% starter activatedWhere to hit starter with hammer? 9 easy steps where to hit starter with hammer? (100% starter activated ...Where to hit starter with a hammer (complete walk through).

Where To Hit Starter With A Hammer (Complete Walk Through)
Where To Hit Starter With A Hammer (Complete Walk Through)

Where to hit starter with hammer? (100% starter activated

Where to hit starter with hammer? [full guide]How to hit starter with hammer where to hit starter with hammer? [full guide]where to hit starter with hammer? 9 easy steps.

Where to hit starter with hammer?Where to hit a starter with a hammer (how i do it) where to hit starter with a hammer?Solved: had to hit starter with hammer to get it to.

Where To Hit Starter With A Hammer (Complete Walk Through)
Where To Hit Starter With A Hammer (Complete Walk Through)

where to hit starter with hammer?

where to hit starter with hammer? 9 easy stepsHow does a hammer fix a starter? where to hit starter with hammer? [full guide]where to hit starter with hammer?.

Where to hit starter with hammer? (100% starter activatedWhere to hit starter with hammer? [full guide] where to hit starter with hammer? [full guide]where to hit starter with hammer? (100% starter activated ....

Where To Hit Starter With Hammer? [Full Guide] - Autocornerd
Where To Hit Starter With Hammer? [Full Guide] - Autocornerd

Where to hit starter with a hammer?

.

.

Where To Hit Starter With Hammer? [Full Guide] - Autocornerd
Where To Hit Starter With Hammer? [Full Guide] - Autocornerd
How to Hit Starter With Hammer | 6 Easy Steps (2025)
How to Hit Starter With Hammer | 6 Easy Steps (2025)
Where To Hit Starter With Hammer? [Full Guide] - Autocornerd
Where To Hit Starter With Hammer? [Full Guide] - Autocornerd
Where To Hit Starter With Hammer? - Your BHP
Where To Hit Starter With Hammer? - Your BHP
How to Hit Starter With Hammer | 6 Easy Steps (2025)
How to Hit Starter With Hammer | 6 Easy Steps (2025)

More Posts

Coolant And Antifreeze The Same Car Ac Coolant

coolant and antifreeze the same Car ac coolant

2017 Jeep Grand Cherokee 3.6 Firing Order 2017 Free St

2017 Trading Review: A Modest 72.4% Return For Our Blog Portfolio In ... planning septembre 2017 2017 Predictions For AI, Big Data, IoT, Cybersecurity, And Jobs From ... Seven ways M

2017 jeep grand cherokee 3.6 firing order 2017 free stock photo

Testing A/c Pressure Switch How To Test A Pressure Switch (6

Replacing A/C Pressure Switch?: Hey Guys, I'm Wanting to ... Amazon.com: Conditioning A/C Pressure Sensor Switch : Automotive Manual Approach to Pressure S

testing a/c pressure switch How to test a pressure switch (6-step guide)

How Much Does It Cost To Replace An Exhaust System how Mu

Exhaust System Repair - United Diesel How Much Does It Cost To Replace An Exhaust System? How Much Does It Cost To Replace An Exhaust System? How much does it co

how much does it cost to replace an exhaust system how much does exhaust installation cost?

Off Center Part Tag: Cinco Filmes, Uma Década

ハッカーズ・ヒルと「ひとりぼっちのワルツ」ジョージ・ウィンストン : 青い郊外の空の下・黄色と緑のセロファンの花たち TAG: Cinco filmes, uma década

off center part Tag: cinco filmes, uma década

Yield Right Of Way Definition Yield Right Of Way. When Other

What Does it Mean to Yield to the Right of Way? - AK Law PPT - Situations that require a driver to yield right-of-way PowerPoint ... Failing to Yield the R

yield right of way definition Yield right of way. when other drivers has the right of way, be sure to

Nissan Versa Car Problems nissan Sentra 2025 Hp

2023 Nissan Ariya Electric Crossover Launched in Canada, It's Cheaper ... 2025 Nissan Rogue Platinum For Sale Near Me - William Avery 2023 Nissan SUVs: A Guide to the Latest Rogue, M

nissan versa car problems nissan sentra 2025 hp

2017 Nissan Rogue Cvt Problems 2017 Free Stock Photo

Evitar Alentar Pasivo calendario 2017 2017 llenar pausa Beneficiario Top 17 On Your Health Posts of 2017 | INTEGRIS Health Profitability set to continue in 2017 | Airlines plan

2017 nissan rogue cvt problems 2017 free stock photo

How To Stop Car Paint From Peeling Znak stop Stock Vec

PROJET DE LOI DE SANTÉ, STOP ! – Fédération des Médecins de France Royalty-Free Vector Clip Art Illustration of a Stop Sign Character ... What Is I Stop 3D Man Stop Stock

how to stop car paint from peeling Znak stop stock vector